基本信息 产品详情 公司简介 推荐产品
网站主页 化工产品目录 生物 细胞培养 细胞系 人细胞系 人非小细胞肺癌细胞 NCI-H358(人非小细胞肺癌细胞)
  • NCI-H358(人非小细胞肺癌细胞)

NCI-H358(人非小细胞肺癌细胞)

NCI-H358
1500 1株 起订
上海 更新日期:2026-04-03

上海沪震实业有限公司

VIP4年
联系人:鲍丽雯
电话:021-60345367拨打
手机:13916550749 拨打
邮箱:sales@shzbio.com

产品详情:

中文名称:
NCI-H358(人非小细胞肺癌细胞)
英文名称:
NCI-H358
品牌:
HZBIO/沪震实业
产地:
上海
产品类别:
细胞生物学 细胞系
货号:
HZC-50400
规格:
1×10^6Cells/T25培养瓶
培养条件:
气相:空气,95%;CO2,5% 温度:37℃
生长方式:
贴壁细胞
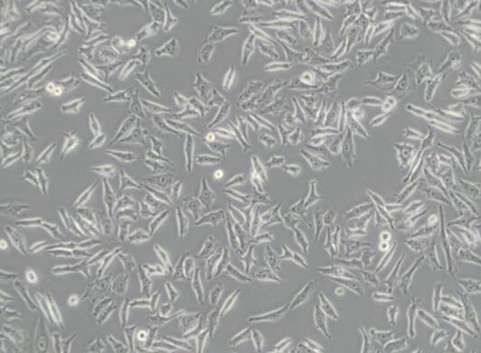
细胞形态:
上皮细胞样
种属:

NCI-H358(人非小细胞肺癌细胞)

1.细胞起源:

细胞简称 NCI-H358

细胞别称 H358; H-358; NCIH358

细胞背景描述 NCI-H358细胞是于1981年从一位开始化疗之前的患者的肿瘤组织中分离得到的。超微结构研究表明,NCI-H358细胞的细胞质中有Clara细胞的特征结构,NCI-H358细胞表达主要的肺表面结合蛋白SP-A和RNA,不表达SP-B和SP-C;NCIH358细胞在软琼脂中的克隆形成效率为0.83%。

供体年龄 男

组织来源 细支气管及肺泡癌;非小细胞肺癌;肺;细支气管;肺泡

细胞形态 上皮细胞样

细胞类型 肿瘤细胞

肿瘤类型 肺癌细胞

生长特性 贴壁细胞

生物安全等级 1

2.培养及保藏:

完全培养基 RPMI-1640(PM150110)+10% FBS(164210-50)+1% P/S(PB180120)

培养环境 空气,95%;CO 2,5%

37℃

冻存条件 55% 基础培养基+40%FBS+5%DMSO

液氮

3.传代方法:

传代步骤

1、吸出原培养液;

2、加入2ml左右PBS,轻轻晃动培养瓶润洗细胞,吸出PBS丢弃;

3、加入1ml左右0.25%胰蛋白酶溶液(含EDTA),轻轻晃动培养瓶使之浸润所有细胞;

4、放入培养箱消化,显微镜下看到细胞块中间的细胞明显变圆有间隙时可终止,全程不要拍打培养瓶;

5、加入3ml含血清的培养基终止消化,吹打细胞使之脱壁并在液体里反复吹打使细胞尽量呈单颗细胞的悬浮液;

6、收集细胞悬液离心,1200rpm/min 3分钟,离心完吸出上清丢弃;

7、加入新鲜培养基,吹打几下混匀细胞即可,按比例接种到新培养瓶,补足培养基,拧松瓶盖或使用透气瓶盖进行培养。

消化时间 2~3分钟

传代比例(密度) 1:3-1:4

换液频次 2~3次/周

倍增时间 ~38-60 hours

本产品仅供科研使用。不能用于人和动物治疗等其它临床诊断使用!以实际收货产品说明书为准,网站说明书仅供参考。

NCI-H358(人非小细胞肺癌细胞);人非小细胞肺癌细胞;非小细胞肺癌;NCI-H358;

公司简介

上海沪震实业有限公司是一家集研发、生产和销售于一体的生命科学实验室产品生物科技企业。主营产品:试剂盒,ELISA试剂盒,抗体,重组蛋白,血清,胎牛血清,细胞,原代细胞 细胞培养试剂,常用生化试剂。

成立日期 (12年)
注册资本 100万元整
员工人数 10-50人
年营业额 ¥ 100万以内
经营模式 工厂,试剂,定制,服务
主营行业 生化试剂,细胞培养,蛋白组学,分子生物学,细胞生物学

NCI-H358(人非小细胞肺癌细胞)相关厂家报价 更多

  • NCI-H358
  • NCI-H358
  • 吉奥蓝图(广东)生命科学技术中心 VIP
  • 2026-04-10
  • ¥9999
  • H358细胞
  • H358细胞
  • 广州弗尔博生物科技有限公司
  • 2026-01-07
  • ¥1680
内容声明
拨打电话 立即询价