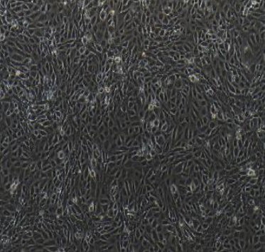
人喉鳞状细胞癌SNU46,培养条件具体详情可以咨询我司客服
冻存条件 | 无血清冻存液(货号:C7001)。 |
传代方法 | 第一次建议1:2传代 | 传代情况 | 2天换液 |
备注 | 建议同时购买完培,同时购买非常优惠 |
细胞收到后处理
培养至良好状态后灌满完全培养液并封好瓶口是运输细胞的最好办法。收到细胞用75%酒精喷洒整个细胞瓶,消毒后放到超净台内严格无菌操作,将细胞瓶放入37℃、5%CO2的培养箱中静置3-4小时以稳定细胞状态后再做处理。显微镜观察细胞生长情况,并对细胞进行不同倍数拍照保存(最好40x,100x,200x各一张),前三天照片是重要售后依据,不提供照片默认收到状态良好。(换液后将瓶盖拧松)

人喉鳞状细胞癌SNU46,培养步骤
a、细胞传代:如果未超过80%汇合度时,将瓶装的完全培养液收集至离心管中,留5ml完全培养基,放入37℃、5%CO2孵箱培养;如果细胞密度超80%,即可进行传代培养,传代具体步骤如下:
1. 弃去培养上清,用不含钙、镁离子的PBS润洗细胞1-2次。
2. 添加0.25%胰蛋白酶消化液约1-2ml至培养瓶中,置于37℃培养箱中消化1-2min,然后在显微镜下观察细胞消化情况,若细胞大部分变圆并脱落,迅速拿回操作台,轻敲几下培养瓶后加5ml以上完全培养基终止消化。
3.轻轻吹打细胞,使之完全脱落后吸出,然后将悬液转移至15ml离心管中,在1000RPM条件下离心5分钟,弃去上清液,补加1-2mL完全培养基重悬。
4. 将细胞悬液按1:2的比例进行分瓶传代(两个T25瓶),补充新的完全培养基至5-8ml/瓶,最后放入到37℃、5%CO2的细胞培养箱中培养。
b、细胞冻存:
1、细胞生长至覆盖培养瓶的80%面积时,弃T25培养瓶中的培养液,用PBS清洗细胞一次;
2、添加0.25%胰蛋白酶消化液约1ml至培养瓶中,倒置显微镜下观察,待细胞回缩变圆后加入5ml完全培养液终止消化,再轻轻吹打细胞使之脱落,然后将悬液转移至15ml离心管中,1000rpm离心 5min;
3、 弃上清,沉淀细胞加入1ml的雅吉生物无血清冻存液(货号:C7001),混匀后加入冻存管中。
4、 将冻存细胞直接放入-80℃冰箱即可,如后期要将细胞转入液氮罐中,则需在-80℃冰箱 中存放24小时以上再转入液氮罐中。
C、细胞复苏:
1、从液氮中取出细胞冻存管(注意佩戴防护面具),快速将其置入 37℃水浴中解冻, 直至冻存管中无结晶,然后用75%的酒精擦拭冻存管外壁;
2、将冻存管中的细胞移至含 5ml 完全培养基的15ml离心管中,1000rpm离心5min;
3、弃上清,沉淀用5ml完全培养基重悬,接种至T25培养瓶,放于37℃,5%CO2细胞培养箱中培养;
4、第二天,换用新鲜完全培养基继续培养。
注意事项:有些细胞贴壁不牢,在运输过程中容易发生细胞脱落,这是正常现象。如脱离较多可将培养瓶所有培养液收集至离心管,1000rpm离心5min,收集上清作过渡培养(后期对比培养),沉淀加入胰酶1-2ml,轻轻吹打,重悬,消化1-2分钟后,加5ml完全培养基终止反应。再离心,弃上清,加1-2ml完全培养基重悬。然后按1:2比例进行分瓶传代(两个T25),补充新的完全培养基至5-8ml/瓶,最后放入37℃,5%CO2细胞培养箱中培养。
人喉鳞状细胞癌SNU46,售后条款:
1)细胞出现问题,可重发的情况有哪些?判定标准是什么?
1. 细胞运输途中遭遇的各种问题,细胞丢失、瓶身破损、培养液严重漏液等,重发;
2. 细胞污染问题,请在收到产品48小时内,给我们提出真实的实验结果,核实后重发;
3. 常温发货的细胞静置24小时后,干冰冻存发货的细胞复苏后24小时后,绝大多数细胞未存活,(需提供真实清晰的细胞状态照片),重发;
4. 干冰冻存发货的细胞复苏后24小时后或常温发货的细胞静置4小时候并且未开封,出现污染,重发;
5. 细胞活性问题,请在收到产品7天内给我们提出真实的实验结果,用台盼蓝染色法鉴定细胞活力,核实后予重发;
6. 细胞收到当天以及第2,3天请拍照,3天未告知的,视为产品合格。4-7天内出现问题有提供收到细胞前3天照片和细胞出现问题时照片以及细胞相关操作的详细步骤的,并跟技术人员沟通的,由技术人员判定为我方责任的,重发。技术人员判定为双方承担责任的由双方进行协商处理或者按合同价的50%收费重发。
2)细胞出现问题,不予以重发的情况有哪些?
1. 客户造成细胞污染,不重发;
2. 客户不正确操作致细胞状态不好,不重发;
3. 非本库推荐细胞培养体系致的细胞状态不好,不重发;
4. 细胞状态不好,未提供细胞培养前3天照片的,不重发;
5. 细胞培养时经其它处理的,不重发;
6. 细胞收到2天内,未告知,不重发;
欢迎新老客户咨询订购:人喉鳞状细胞癌SNU46
更多细胞可以咨询我司客服:
| GT1484C | HCC1500 | 人乳腺导管癌细胞导管癌TNMIIB期,2级HCC1500 | 5000 | 1640+10%FBS |
| GT1485C | LS411N | 人盲肠癌细胞LS411N | 5000 | 1640+10%FBS贴壁 |
| GT1486C | NCIH1781 | 人细支气管肺泡癌细胞NCIH1781 | 5000 | 1640+10%FBS贴壁 |
| GT1487C | NCIH1581 | 人非小细胞肺癌细胞NCIH1581 | 5500 | 1640+10%FBS贴壁+悬浮 |
| GT1488C | HBEC5i | 人大脑内皮细胞HBEC5i | 5000 | 内皮细胞培养体系(BW-002) |
| GT1489C | HuNS1 | 人多发性骨髓瘤细胞HuNS1 | 6000 | 1640+20%FBS |
| GT1490C | RL | 人B细胞非霍奇金淋巴瘤细胞RL | 4000 | 1640+10%FBS+1%P/S悬浮 |
| GT1491C | MD | 人脾细胞MD | 5000 | DMEM+10%FBS+1%P/S贴壁 |
| GT1492C | RC | 人B淋巴瘤细胞RC | 5000 | 1640+10%FBS+1%P/S悬浮 |
| GT1493C | SW684 | 人纤维肉瘤细胞SW684 | 5500 | DF12+10%FBS+1%P/S贴壁 |
| GT1494C | PhoenixECO | 人逆转录病毒包装细胞系PhoenixECO | 5500 | DMEM+10%FBS+1%P/S贴壁 |
| GT1495C | BICR3 | 人舌鳞状细胞癌BICR3 | 5500 | DMEM+10%FBS+400ng/ml氢化可的松+1%P/S贴壁 |
| GT1496C | OE19 | 人食管癌细胞OE19 | 2500 | 1640+10%FBS+1%P/S贴壁 |
| GT1497C | SNU601 | 人印戒细胞胃腺癌SNU601 | 8000 | 1640+10%FBS+1%P/S贴壁 |
| GT1498C | SNU1066 | 人喉鳞状细胞癌SNU1066 | 7500 | 1640+10%FBS+1%P/S贴壁 |
| GT1499C | SNU46 | 人喉鳞状细胞癌SNU46 | 7500 | 1640+10%FBS+1%P/S贴壁 |
| GT1500C | MNT1 | 人黑色素瘤细胞MNT1 | 4500 | DMEM+10%FBS+1%P/S贴壁 |
| GT1501C | HARSpondin1FcHEK293Tcells | 人稳定表达RspoI蛋白的293T细胞HARSpondin1FcHEK293Tcells | 4500 | DMEM+10%FBS+1%P/S贴壁Zeocin抗性,可根据需要加入300ug/mLZeocin. |
| GT1502C | MUGChor1 | 人骶骨脊索瘤细胞MUGChor1 | 4500 | IMDM:1640=4:1+10%FBS+1%p/s贴壁 |
| GT1503C | SNU899 | 人喉鳞状细胞癌SNU899 | 8000 | 1640+10%FBS+1%P/S贴壁 |
| GT1504C | SNU1076 | 人喉鳞状细胞癌SNU1076 | 8500 | 1640+10%FBS+1%P/S贴壁 |
| GT1505C | TK6 | 人成淋巴细胞/遗传性球形红细胞增多症TK6 | 5000 | 1640+10%FBS/HS+1%P/S贴壁 |
| GT1506C | LUDLU1 | 人肺鳞状细胞癌细胞LUDLU1 | 7500 | 1640+10%FBS+1%P/S贴壁 |
| GT1507C | UMChor5 | 人颅底脊索瘤细胞UMChor5 | 4500 | IMDM:1640=4:1+10%FBS+1%p/s贴壁 |
| GT1508C | MP46 | 人眼葡萄膜黑色瘤細胞MP46 | 5500 | 1640+20%FBS+1%P/S贴壁 |
| GT1509C | NCIH187 | 人小细胞肺癌细胞NCIH187 | 3500 | 1640+20%FBS+1%P/S悬浮 |
| GT1510C | MOLT3 | 人急性T淋巴细胞白血病细胞MOLT3 | 3500 | 1640+10%FBS+1%P/S悬浮 |
| GT1511C | LL97A(AlMy) | 人肺成纤维细胞-原发性肺纤维化LL97A(AlMy) | 5500 | F12K+15%FBS+1%P/S贴壁 |
| GT1512C | SW962 | 人外阴癌细胞SW962 | 6500 | 1640+10%FBS+1%P/S贴壁 |
| GT1513C | SW872 | 人脂肪肉瘤细胞SW872 | 4000 | DMEM+10%FBS+1%P/S贴壁 |
| GT1514C | NALM1 | 人慢性粒细胞白血病细胞NALM1 | 4500 | 1640+10%FBS+1%P/S悬浮 |
| GT1515C | NCIH2030 | 人肺腺癌细胞NCIH2030 | 3000 | 1640+10%FBS+1%P/S贴壁 |
| GT1516C | Loucy | 人急性T淋巴细胞白血病Loucy | 4000 | 1640+10%FBS+1%P/S悬浮 |
| GT1517C | NTERA2 | 人恶性多发性畸胎瘤细胞NTERA2 | 2500 | DMEM+10%FBS+1%P/S贴壁 |
| GT1518C | HCC1395 | 人乳腺癌细胞(三阴性)HCC1395 | 3000 | 1640+10%FBS |
| GT1519C | SKNO1 | 人急性髓系白血病细胞SKNO1 | 2000 | 1640+10%FBS+10ng/mIGM-CSF+1%P/S悬浮 |
| GT1520C | NTERA2clD1 | 人睾丸癌细胞NTERA2cl.D1 | 3000 | DMEM+10%FBS+1%P/S贴壁 |
| GT1521C | Huh1 | 人肝癌细胞Huh1 | 3000 | DMEM+10%FBS+1%P/S贴壁 |