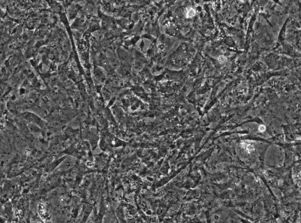
细胞名称:人皮肤成纤维细胞HS27
细胞代次:P4
细胞规格:T25瓶(包邮)/2冷冻管(需加干冰运输费)
细胞冻存:无血清冻存液
细胞传代:第一次建议1:2
细胞收到后处理
培养至良好状态后灌满完全培养液并封好瓶口是运输细胞的最好办法。收到细胞用75%酒精喷洒整个细胞瓶,消毒后放到超净台内严格无菌操作,将细胞瓶放入37℃、5%CO2的培养箱中静置3-4小时以稳定细胞状态后再做处理。显微镜观察细胞生长情况,并对细胞进行不同倍数拍照保存(最好40x,100x,200x各一张),前三天照片是重要售后依据,不提供照片默认收到状态良好。(换液后将瓶盖拧松)
人皮肤成纤维细胞HS27,培养步骤
a、细胞传代:如果未超过80%汇合度时,将瓶装的完全培养液收集至离心管中,留5ml完全培养基,放入37℃、5%CO2孵箱培养;如果细胞密度超80%,即可进行传代培养,传代具体步骤如下:
1. 弃去培养上清,用不含钙、镁离子的PBS润洗细胞1-2次。
2. 添加0.25%胰蛋白酶消化液约1-2ml至培养瓶中,置于37℃培养箱中消化1-2min,然后在显微镜下观察细胞消化情况,若细胞大部分变圆并脱落,迅速拿回操作台,轻敲几下培养瓶后加5ml以上完全培养基终止消化。
3.轻轻吹打细胞,使之完全脱落后吸出,然后将悬液转移至15ml离心管中,在1000RPM条件下离心5分钟,弃去上清液,补加1-2mL完全培养基重悬。
4. 将细胞悬液按1:2的比例进行分瓶传代(两个T25瓶),补充新的完全培养基至5-8ml/瓶,最后放入到37℃、5%CO2的细胞培养箱中培养。
b、细胞冻存:
1、细胞生长至覆盖培养瓶的80%面积时,弃T25培养瓶中的培养液,用PBS清洗细胞一次;
2、添加0.25%胰蛋白酶消化液约1ml至培养瓶中,倒置显微镜下观察,待细胞回缩变圆后加入5ml完全培养液终止消化,再轻轻吹打细胞使之脱落,然后将悬液转移至15ml离心管中,1000rpm离心 5min;
3、 弃上清,沉淀细胞加入1ml的雅吉生物无血清冻存液(货号:C7001),混匀后加入冻存管中。
4、 将冻存细胞直接放入-80℃冰箱即可,如后期要将细胞转入液氮罐中,则需在-80℃冰箱 中存放24小时以上再转入液氮罐中。
C、细胞复苏:
1、从液氮中取出细胞冻存管(注意佩戴防护面具),快速将其置入 37℃水浴中解冻, 直至冻存管中无结晶,然后用75%的酒精擦拭冻存管外壁;
2、将冻存管中的细胞移至含 5ml 完全培养基的15ml离心管中,1000rpm离心5min;
3、弃上清,沉淀用5ml完全培养基重悬,接种至T25培养瓶,放于37℃,5%CO2细胞培养箱中培养;
4、第二天,换用新鲜完全培养基继续培养。
注意事项:有些细胞贴壁不牢,在运输过程中容易发生细胞脱落,这是正常现象。如脱离较多可将培养瓶所有培养液收集至离心管,1000rpm离心5min,收集上清作过渡培养(后期对比培养),沉淀加入胰酶1-2ml,轻轻吹打,重悬,消化1-2分钟后,加5ml完全培养基终止反应。再离心,弃上清,加1-2ml完全培养基重悬。然后按1:2比例进行分瓶传代(两个T25),补充新的完全培养基至5-8ml/瓶,最后放入37℃,5%CO2细胞培养箱中培养。

人皮肤成纤维细胞HS27,售后服务
1. 细胞运输途中遭遇的各种问题,细胞丢失、瓶身破损、培养液严重漏液等,重发;
2. 细胞污染问题,请在收到产品48小时内,给我们提出真实的实验结果,核实后重发;
3. 常温发货的细胞静置24小时后,干冰冻存发货的细胞复苏后24小时后,绝大多数细胞未存活,(需提供真实清晰的细胞状态照片),重发;
4. 干冰冻存发货的细胞复苏后24小时后或常温发货的细胞静置4小时候并且未开封,出现污染,重发;
5. 细胞活性问题,请在收到产品7天内给我们提出真实的实验结果,用台盼蓝染色法鉴定细胞活力,核实后予重发;
6. 细胞收到当天以及第2,3天请拍照,3天未告知的,视为产品合格。4-7天内出现问题有提供收到细胞前3天照片和细胞出现问题时照片以及细胞相关操作的详细步骤的,并跟技术人员沟通的,由技术人员判定为我方责任的,重发。技术人员判定为双方承担责任的由双方进行协商处理或者按合同价的50%收费重发。
2)细胞出现问题,不予以重发的情况有哪些?
1. 客户造成细胞污染,不重发;
2. 客户不正确操作致细胞状态不好,不重发;
3. 非本库推荐细胞培养体系致的细胞状态不好,不重发;
4. 细胞状态不好,未提供细胞培养前3天照片的,不重发;
5. 细胞培养时经其它处理的,不重发;
6. 细胞收到2天内,未告知,不重发;
更多相关产品如下:人皮肤成纤维细胞HS27
| GT2886C | LSECs | 大鼠肝窦内皮细胞大鼠LSECs | 1800 | DMEM |
| GT2887C | MOLP2 | 人多发性骨髓瘤细胞MOLP2 | 1800 | 1640 |
| GT2888C | BTT739 | 小鼠膀胱移行细胞癌BTT739 | 1800 | 1640 |
| GT2889C | HPaSteC | 人胰腺星状细胞HPaSteC | 1800 | 1640 |
| GT2890C | BMDC | 小鼠树突状细胞BMDC | 1800 | EMEM |
| GT2891C | McCoy | 小鼠成纤维细胞McCoy | 1800 | 1640 |
| GT2892C | CCD19Lu | 人肺成纤维细胞CCD19Lu | 1800 | F12K |
| GT2893C | HIMEC | 人肠微血管内皮细胞HIMEC | 1800 | DMEM |
| GT2894C | HDSMC | 人表皮血管平滑肌细胞HDSMC | 1800 | DMEM |
| GT2895C | EM3 | 人髓系白血病细胞EM3 | 1800 | IMDM |
| GT2896C | KYSE50 | 人食管鳞癌细胞KYSE50 | 1800 | DMEM |
| GT2897C | DSL6AC1 | 大鼠胰腺癌细胞DSL6AC1 | 1800 | DMEM |
| GT2898C | PC14 | 人肺癌细胞PC14 | 1800 | 1640 |
| GT2899C | TEV1 | 人滋养层细胞TEV1 | 1800 | 1640 |
| GT2900C | MZCRC1 | 人髓样甲状腺癌细胞MZCRC1 | 1800 | DMEM |
| GT2901C | HS27 | 人皮肤成纤维细胞HS27 | 1800 | DMEM |
| GT2902C | H235 | 小鼠肝细胞H2.35 | 1800 | 1640 |
| GT2903C | KMBC | 人胆管癌细胞KMBC | 1800 | 1640 |
| GT2904C | Nutu19 | 大鼠卵巢癌细胞Nutu19 | 1800 | DMEM |
| GT2905C | Colo357 | 人胰腺癌细胞Colo357 | 1800 | DMEM |
| GT2906C | HAPI | 大鼠小胶质细胞HAPI | 1800 | DMEM |
| GT2907C | HT115 | 人结肠癌细胞HT115 | 1800 | 1640 |
| GT2908C | CCD841CoTr | 人结肠癌细胞CCD841CoTr | 1800 | DMEM |
| GT2909C | CNLMGB5537SKIN | 人成纤维细胞CNLMGB5537SKIN | 1800 | DMEM |
| GT2910C | GTL16 | 人胃癌细胞GTL16 | 1800 | 1640 |
| GT2911C | SW954 | 人外阴鳞癌细胞SW954 | 1800 | DMEM |
| GT2912C | HHL5 | 人胚胎肝细胞HHL5 | 1800 | 1640 |
| GT2913C | NHLF | 人正常肺成纤维细胞NHLF | 1800 | DMEM |
| GT2914C | MCF12F | 人乳腺上皮细胞MCF12F | 1800 | 1640 |
| GT2915C | PZHPV7 | 人前列腺上皮细胞PZHPV7 | 1800 | DMEM |
| GT2916C | HECCL1 | 人子宫内膜癌细胞HECCL1 | 1800 | EMEM |
| GT2917C | RcaB | 大鼠鳞癌细胞RcaB | 1800 | DMEM |
| GT2918C | hOMF | 正常人口腔粘膜成纤维细胞hOMF | 1800 | DMEM |
| GT2919C | CSQT2 | 人肝癌细胞CSQT2 | 1800 | 1640 |
| GT2920C | HEC251 | 人子宫内膜癌细胞HEC251 | 1800 | EMEM |
| GT2921C | JVM3 | 人慢性髓白血病细胞JVM3 | 1800 | IMDM |
| GT2922C | MM96L | 人黑色素瘤细胞MM96L | 1800 | DMEM |
| GT2923C | HHUA | 人子宫内膜癌细胞HHUA | 1800 | EMEM |
| GT2924C | HSAS1 | 人皮肤成纤维细胞HSAS1 | 1800 | DMEM |
| GT2925C | Hth74 | 人未分化甲状腺癌细胞Hth74 | 1800 | DMEM |
| GT2926C | LTEPa2 | 人肺腺癌细胞LTEPa2 | 1800 | 1640 |
欢迎新老客户咨询订购:人皮肤成纤维细胞HS27