Introduction and Preparation of Streptomycin Sulfate
General description
Streptomycin is a water-soluble aminoglycoside derived from Streptomyces griseus. It is marketed as the sulfate salt of streptomycin. Streptomycin sulfate is the sulfate salt form of streptomycin, an aminoglycoside antibiotic derived from Streptomyces griseus with antibacterial property [1]. The chemical name of streptomycin sulfate is D-Streptamine,O-2-deoxy-2-(methylamino)-α-L-glucopyranosyl-(1→2)-O-5-deoxy-3-C-formyl-α-L-lyxofuranosyl-(1→4)-N,N1-bis(aminoiminomethyl)-,sulfate(2:3) (salt). The molecular formula for Streptomycin Sulfate is (C21H39N7O12)2·3H2SO4 and the molecular weight is 1457.41. It has the following structural formula (Figure 1).

Figure 1. The molecular formula of Streptomycin sulfate
As an aminoglycoside antibiotic, streptomycin sulfate mainly binds to the S12 protein of the bacterial 30S ribosomal subunit, thereby inhibiting peptide elongation and protein synthesis, consequently leading to bacterial cell death [2]. Streptomycin sulfate is often used in combination with other antibiotics or anti tuberculosis drugs to reduce or delay the generation of drug resistance. It has a strong antibacterial effect on tuberculosis, and has been widely used in the treatment of tuberculosis. Moreover, it has weak antibacterial effect on most gram-positive cocci and bacilli, but has strong antibacterial effect on many gram-negative bacilli.
Uses of Streptomycin Sulfate [3-5]
Streptomycin sulfate is mainly used for the treatment of infective endocarditis caused by tuberculosis, Streptococcus brucelli and non hemolytic streptococci, pestis and tularemia, influenza bacilli and gram-negative bacilli. It has antibacterial effect on most gram-negative bacteria, such as Escherichia coli, Salmonella, Pasteurella, Brucella, Pneumonia, Shigella, Aerogenes, and Bacillus melioides. This product is the first choice for anti tuberculosis bacteria. It has a strong effect on tuberculosis bacteria. It has a strong bacteriostatic effect at low concentrations and a bactericidal effect at high concentrations. Because only 10% can penetrate into the body cells, it has no effect on the tuberculosis bacteria inside the cells, and can only kill the tuberculosis bacteria outside the cells. It has stronger bactericidal effect on bacteria in breeding period than that in resting period. Unlike penicillin, its bactericidal speed is in direct proportion to the drug concentration. Its antibacterial effect is strongest at pH 7.8, and it is greatly weakened when pH drops below 6.
In addition, agricultural streptomycin sulfate is an antibiotic fungicide, which can prevent and control bacterial diseases of many crops and some fungal diseases. According to the toxicity grading standard of pesticides in China, streptomycin is a low toxic fungicide.
Cell culturing: It is used at the time of cell culture, to prevent undesired microorganisms’growth.
Biochemistry: Streptomycin sulphate is also used in the purification of biomolecules like protein and sometimes nucleic acid.
Adverse reactions
The damage of streptomycin sulfate to the kidney is relatively mild, which is manifested as proteinuria and tubular urine. In some cases, the renal function is temporarily impaired and can be recovered after drug withdrawal. Serious permanent renal damage is rare. Although streptomycin is the least nephrotoxic of the aminoglycosides, nephrotoxicity does occur rarely [6].
The following reactions are common: vestibular ototoxicity (nausea, vomiting, and vertigo); paresthesia of face; rash; fever; urticaria; angioneurotic edema; and eosinophilia. Vestibular dysfunction resulting from the parenteral administration of streptomycin is cumulatively related to the total daily dose [7]. When 1.8 to 2 g/day are given, symptoms are likely to develop in the large percentage of patients - especially in the elderly or patients with impaired renal function - within four weeks. Therefore, it is recommended that caloric and audiometric tests be done prior to, during, and following intensive therapy with streptomycin in order to facilitate detection of any vestibular dysfunction and/or impairment of hearing which may occur. Clinical judgment as to termination of therapy must be exercised when side effects occur.
Pharmacology and Toxicology
Streptomycin sulfate is an aminoglycoside antibiotic. Streptomycin has a strong antibacterial effect on Mycobacterium tuberculosis, and its minimum inhibitory concentration is generally 0.5mg/ml. Most non tuberculosis mycobacteria are resistant to the product. Streptomycin also has antibacterial effect on many gram-negative bacteria, such as Escherichia coli, Klebsiella, Proteus, Enterobacteriaceae, Salmonella, Shigella, Brucella, Pasteurella, etc; Neisseria meningitidis and Neisseria gonorrhoeae are also sensitive to the product. The effect of streptomycin on Staphylococcus and other gram-positive cocci is poor [8]. Streptococcus, Pseudomonas aeruginosa and anaerobes in each group were resistant to the drug.
Pharmacokinetics [9]
The absorption was good after intramuscular injection. It is mainly distributed in the extracellular fluid, and can be distributed to the whole body organs and tissues except the brain. The amount of this product reaching the cerebrospinal fluid, brain tissue and bronchial secretion is very small; But it can reach bile, pleural effusion, ascites, tuberculous abscess and cheese like tissue, and can enter fetal tissue through the placenta. The protein binding rate was 20%~30%. The half-life of blood elimination (t1/2b) is 2.4~2.7 hours, which can be significantly prolonged when renal function is decreased. The product is not metabolized in the body, and is mainly excreted through glomerular filtration. 80%~98% of it is excreted in urine 24 hours after administration, about 1% is excreted from bile, and a small amount is excreted from milk, saliva and sweat. This product can be removed by hemodialysis.
Preparation
Streptomycin sulfate currently on the market is mainly prepared by biological fermentation. Streptococcus griseus is an actinomycete, which is used for the preparation of streptomycin. Krinsky was the first scientist isolated S.griseus during the time of 1st world war from the Russian soil. However, due to the long fermentation cycle of this strain and the unstable industrial production process, the production cost is too high, and serious Industrial production is restricted. Therefore, research and development of new strategies are urgently needed to improve the fermentation level of Streptomycin sulfate and reduce the production cost.
Biosynthesis of Streptomycin sulfate
Streptomycin is directly derived from glucose [10]. Though the enzymes involved in the synthesis of N-methyl glucosamine are not yet known, it is expected that about 28 enzymes take part in the conversion of glucose into streptomycin as precised in Figure 2.

Figure 2. Biosynthetic pathway of Streptomycin sulfate
Fermentation Process of Streptomycin
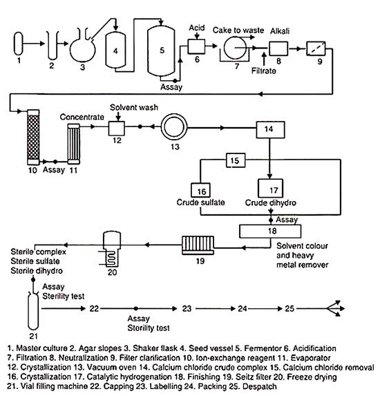
Industrially streptomycin is produced by submerged culture method [11], whose flow sheet is given in Figure 3.

Figure 3. Flow sheet of Streptomycin sulfate production by submerged-method
①Growth of Streptomyces griseus: Maintain the hymns of Streptomyces griseus spores in the stock soil culture. Then, inoculate the inoculum of S.griseus into the agar media at 28 degrees Celsius. After that, the spores of S.griseus sporulate and build up the mycelial network in the flask or seed tanks. The sporulation of S.griseus occurs well in a liquid culture medium, and it forms endospores in low nutrient availability. The growth of S.griseus requires a pH range of 5-11.
②Preparation of the Medium: The production of streptomycin requires Hockenhull nutrient medium.
③Fermentation: Sterilize all the above contents and fed into the stirred tank fermentor. Then, transfer the bacterial inoculum of about 4-5% to the medium. Maintain a temperature between the range of 25-30 degrees Celsius and pH between 7.6-8 inside the fermentor. The production of streptomycin requires continuous fermentation, and the growth of S.griseus requires continuous aeration and agitation. The fermentation process takes 4-10 days.
④Harvest and Recovery: After completion of fermentation the mycelium is separated from the broth by filtration. The fermentation broth is acidified, filtered and neutralized. It is then passed through a column containing a cation exchange resin to adsorb the streptomycin from the broth. The column is then washed with water and the antibiotic is eluted with hydrochloric acid or cyclohexanol or phosphoric acid. It is then concentrated at about 60°C under vacuum. The streptomycin is then dissolved in methanol and filtered and acetone is added to the filtrate to precipitate the antibiotic. The precipitate is again washed with acetone and vacuum dried. It is purified further by dissolving in methanol.
References
1. Zhao X, Chen M, Wang H, et al. Synergistic antibacterial activity of streptomycin sulfate loaded PEG-MoS2/rGO nanoflakes assisted with near-infrared[J]. Materials Science and Engineering C, 2020, 116:111221.
2. National Center for Biotechnology Information. "PubChem Compound Summary for CID 19648, Streptomycin sulfate" PubChem.
3. Pelchovich G, Zhuravlev A, Gophna U. Effect of ribosome-targeting antibiotics on streptomycin-resistant?Mycobacterium?mutants in the?rpsL?gene[J]. International Journal of Antimicrobial Agents, 2013, 42(2): 129-132.
4. Yu J, Tang W, Wang F, et al. Simultaneous detection of streptomycin and kanamycin based on an all-solid-state potentiometric aptasensor array with a dual-internal calibration system[J]. Sensors and Actuators B: Chemical, 2020, 311:127857.
5. Hinshaw H C, Feldman W H. Streptomycin:A summary of clinical and experimental observations[J].J Pediatr, 1946, 28 (3) :269-274.
6. Heilman D H, Heilman F R, Hinshaw H C, et al.Streptomycin:Absorption, diffusion, excretion and toxicity[J].Am J Med Sci, 1945, 210 (5) :576-584.
7. Jun C, Lu F, Qian G, Rong X, Fan Q. Streptomycin inhibits electrophysiological changes induced by stretching of chronically infarcted rat hearts[J]. Journal of Zhejiang University-Science B(Biomedicine & Biotechnology), 2014,15(06):515-521.
8. Desai, H.B, Ghosh S, Pandit R, et al. Synergistic Bacteriostatic Effect of Streptomycin-Coated Nanomagnetic Functional Oxides[J].BioNanoScience. 2022,Vol.12(No.1):62-73.
9. Benjak A, Uplekar S, Zhang M, et al. Genomic and transcriptomic analysis of the streptomycin-dependent Mycobacterium tuberculosis strain 18b[J].BMC Genomics. 2016:190.
10. Debabrata Das, Soumya Pandit. Penicillin, Cephalosporin, and Streptomycin Production[J].Industrial Biotechnology.2021:281-295.
11. Gao Z. Present Status of Streptomycin Production[J].Chinese Journal of Modern Applied Pharmacy,1993(04):24-26+76.
You may like
Related articles And Qustion
See also
Lastest Price from Streptomycin sulfate manufacturers

US $23.00/KG2025-09-28
- CAS:
- 3810-74-0
- Min. Order:
- 100KG
- Purity:
- 90
- Supply Ability:
- 5

US $0.00-0.00/kg2025-07-16
- CAS:
- 3810-74-0
- Min. Order:
- 7kg
- Purity:
- 720 IU/mg Sterile, Oral grade/Injection grade ;EP
- Supply Ability:
- 10 TONS



